Математические расчёты
Треугольник мощностей
Коэффициент мощности необходимо учитывать при проектировании электросетей. Низкий коэффициент мощности ведёт к увеличению доли потерь электроэнергии в электрической сети в общих потерях. Если его снижение вызвано нелинейным, и особенно импульсным характером нагрузки, это дополнительно приводит к искажениям формы напряжения в сети. Чтобы увеличить коэффициент мощности, используют компенсирующие устройства. Неверно рассчитанный коэффициент мощности может привести к избыточному потреблению электроэнергии и снижению КПД электрооборудования, питающегося от данной сети.
Для расчётов в случае гармонических переменных U{\displaystyle U} (напряжение) и I{\displaystyle I} (сила тока) используются следующие математические формулы:
- χ=PS{\displaystyle \chi ={\frac {P}{S}}}
- P=U×I×cosφ{\displaystyle P=U\times I\times \cos \varphi }
- Q=U×I×sinφ{\displaystyle Q=U\times I\times \sin \varphi }
- S=∑k=1∞(U)×I=P2+Q2+T2{\displaystyle S=\textstyle \sum _{k=1}^{\infty }\displaystyle (U)\times I={\sqrt {P^{2}+Q^{2}+T^{2}}}}
Здесь P{\displaystyle P} — активная мощность, S{\displaystyle S} — полная мощность, Q{\displaystyle Q} — реактивная мощность, T{\displaystyle T} — мощность искажения.
Метод управления по пиковому значению тока
Функциональная электрическая схема системы управления представлена на рис. 3. Открывание силового ключа осуществляется по сигналу от тактового генератора (ТГ). За закрывание ключа отвечает сигнал, полученный перемножением мгновенного значения эталонного входного напряжения, снимаемого с выпрямителя, и напряжения усилителя ошибки выходного напряжения (УОН). Этот сигнал сравнивается компаратором К с суммой сигналов с датчика тока и с источника пилообразного напряжения (ПГ) той же частоты, что и у тактового генератора. Таким образом, характер изменения потребляемого тока отличается от приведенного выше и имеет вид, представленный на рис. 4.
Рис. 3. Схема управления по пиковому значению тока
Рис. 4. Диаграммы токов при управлении по пиковому значению тока
Преимущества данного метода:
- постоянная частота переключения;
- режим безразрывных токов, сопровождающийся малыми выбросами тока при меньшем его среднеквадратическом значении, что позволяет применять малогабаритный входной фильтр;
- необходимость только одного датчика тока, позволяющего ограничить пиковое значение тока дросселя в пределах каждого такта.
Недостатки:
- искажения формы кривой входного тока, возрастающие при уменьшении нагрузки и при увеличении входного напряжения;
- чувствительность к помехам, возникающим при коммутации;
- жесткие условия закрывания силового диода, приводящие к увеличению динамических потерь и, как следствие, к высокому уровню высокочастотных помех.
Для реализации данного метода можно использовать контроллер ML4812 фирмы Micro Linear, а так же ML4819 того же производителя, выполняющий помимо функции коррекции КМ функции ШИМ-преобразователя. Микросхема ML4819 может стать удобным интегрированным решением для создания импульсного источника питания со входным ККМ.
Метод управления по среднему значению тока
Рис. 5. Схема управления по среднему значению тока
Рис. 6. Диаграммы токов при управлении по среднему значению тока
Функциональная электрическая схема ККМ представлена на рис. 5. Управляющий сигнал формируется усилителем ошибки по току (УОТ), который сравнивает сигнал с датчика тока с произведением мгновенных значений эталонного напряжения Uref и напряжения усилителя ошибки выходного напряжения (УОН). Сигнал управления подается на ШИМ-мо-дулятор. Он представляет собой компаратор К, сравнивающий этот сигнал с сигналом, поступающим с генератора пилообразного напряжения (ПГ). Форма кривой потребляемого тока показана на рис. 6. Преимущества метода:
- постоянная частота переключения;
- режим безразрывных токов;
- устойчивость к коммутационным помехам.
Недостатки метода:
- относительно сложная схема управления, требующая включения датчика тока в цепь дросселя и наличия инверсного входа;
- жесткие условия закрывания силового диода.
Для реализации данного метода производители предлагают на выбор контроллеры: UC1854/A/B, UC1855 (Unitrode), ML4821 (Micro Linear), TDA4815, TDA4819 (Siemens), L4981A/B (SGS-Thomson), LT1248, LT1249 (Linear Tech.). Кроме того, данный метод осуществляется при помощи микросхем ML4824 и ML4826 (Micro Linear), содержащих также логику ШИМ-преобразователя (в ML4826 — двухкаскадного) для реализации одновременно и преобразователя, и ККМ. Так же перспективна ИМС FAN4822 (Fairchild Semiconductor), имеющая средства для реализации метода переключения силового ключа по нулевому напряжению, который в зарубежной литературе получил название ZVS — Zero Voltage Switching или ZVT — Zero Voltage Transition. В этом случае можно построить ККМ со сниженными динамическими потерями и меньшим уровнем высокочастотных помех.
Коррекции коэффициента мощности
Анализ, проведенный в рамках исследования, показал, что для коррекции коэффициента мощности всего предприятия до величины не ниже 0,90 (индуктивный) необходимо увеличить компенсирующую емкость на главной шине 13,8 кВ. При этом можно повысить коэффициент мощности на шине 13,8 кВ со среднего значения порядка 0,76 (индуктивный) до примерно 0,95 (индуктивный). Анализ также показал, что существующие ФКУ 34,5 кВ способны обеспечить надлежащую компенсацию реактивной нагрузки от нового агрегата «печь-ковш».
Полевые измерения показали, что нагрузка распредсистемы 13,8 кВ составляет около 23,3 МВт при коэффициенте мощности 0,76 (индуктивный). Нескомпенсированная реактивная нагрузка составляет 19,9 Мвар. Для повышения коэффициента мощности системы 13,8 кВ до 0,955 реактивная нагрузка должна снизиться до 7,2 Мвар. Таким образом, для получения достаточной компенсации требуется установить конденсаторную батарею мощностью 12,7 Мвар (19,9 – 7,2).
Способы улучшения коэффициента мощности —
Повышение коэффициента мощности на предприятиях возможно двумя путями: естественным и искусственным.
Естественный путь повышения cos ф предусматривает: упорядочение технологических процессов таким образом, чтобы приводные двигатели были постоянно загружены и не работали продолжительное время на холостом ходу; замену незагруженных двигателей менее мощными; замену асинхронных двигателей с фазным ротором на асинхронные двигатели с короткозамкнутым ротором; замену тихоходных двигателей на быстроходные; применение синхронных двигателей вместо асинхронных.
Для осуществления вышеперечисленных мероприятий не требуются капитальные затраты, поэтому естественный путь улучшения коэффициента мощности является наиболее доступным и выгодным.
Для искусственного повышения коэффициента мощности применяют компенсирующие устройства на напряжение до 1000 В и выше.
Методы улучшения коэффициента мощности
Коррекция коэффициента мощности (компенсация реактивной мощности) достигается установкой конденсаторов параллельно двигателю или схеме освещения, которые могут устанавливаться на оборудовании, распределительном щите или на вводе в электроустановку.
Статическая компенсация реактивной мощности может быть достигнута для каждого отдельного двигателя при подключении компенсирующих конденсаторов к пускателю двигателя. При этом при изменении нагрузки двигателя может наблюдаться недо- или перекомпенсация. Статическая компенсация реактивной мощности не должна применяться на выходе регулируемого привода, электронного устройства плавного пуска или преобразователя, так как конденсаторы могут стать причиной выхода из строя электронных компонентов.
При правильно рассчитанной компенсации реактивной мощности не должно быть перекомпенсации. Обычно компенсация реактивной мощности отдельного двигателя рассчитывается исходя из реактивной (намагничивающей) мощности, так как она сравнительно постоянна в отличие от активной мощности, это позволит избежать перекомпенсации.
При применении управления компенсацией реактивной мощности в схеме звезда/треугольник необходимо обратить внимание на то, чтобы конденсаторы не работали в режиме частого подключения и отключения. Обычно устройство компенсации подключается к сети или цепям контактора переключения на треугольник
Устройство компенсации реактивной мощности, подключаемое на вводе электроустановки, состоит из контроллера, измеряющего реактивную мощность и коммутирующего конденсаторы для поддержания значения коэффициента мощности выше заданного значения (обычно 0,95). При применении общей компенсации реактивной мощности другие нагрузки теоретически могут устанавливаться в любом месте сети.
Типы мощности
Фактическое количество используемой или рассеиваемой в цепи мощности называется активной мощностью. Она измеряется в ваттах и обозначается прописной буквой P. Активная мощность является функцией элементов рассеяния цепи, например, резисторов (R).
Реактивные нагрузки (индуктивности и конденсаторы) не рассеивают мощность, но то, что на них падает напряжение и через них протекает ток, даёт впечатление,
что они всё-таки рассеивают мощность. Эта «рассеиваемая мощность» называется реактивной мощностью, а её единицей измерения является вольт-ампер реактивный (вар). Реактивная мощность обозначается прописной буквой Q и является функцией реактивного сопротивления цепи (X).
Комбинация реактивной и активной мощностей называется полной мощностью. Она является произведением напряжения и тока цепи без учёта фазового угла. Полная мощность измеряется в вольт-амперах (ВА) и обозначается прописной буквой S. Полная мощность является функцией полного сопротивления цепи (Z). Имеется несколько выражений, связывающих три типа мощности со значениями активного, реактивного и полного сопротивления (во всех используются скалярные величины):
P – активная мощность, единицей измерения является ватт:
P = I2R, P = V2/R
Q – реактивная мощность, единицей измерения является вольт-ампер реактивный (вар):
Q = I2X Q = V2/X
S – полная мощность, единицей измерения является вольт-ампер (ВА):
S = I2Z, S = V2/Z, S = VI
Необходимость повышения коэффициента мощности
При должным образом выполненной коррекции коэффициента мощности достигаются следующие преимущества:
- экологические: снижение потребления электроэнергии за счёт повышения эффективности её использования. Снижение потребления приводит к уменьшению выбросов парниковых газов и замедлению истощения ресурсов ископаемого топлива для электростанций;
- уменьшение расходов на электроэнергию;
- возможность получения большей мощности от имеющегося источника;
- снижение тепловых потерь в трансформаторах и оборудовании распределения;
- уменьшение падения напряжения в длинных кабелях;
- увеличение срока службы оборудования в связи со снижением электрической нагрузки на кабели и другие электрические компоненты.
Возможно, вам также будет интересно
В предыдущей статье (КиТ № 5’2000, с. 14) мы знакомили специалистов с американской компанией ASTEC, долгие годы производящей самую широкую в мире гамму источников питания на любой вкус, и останавливались на сетевых источниках малой мощности. Для нового обзора, посвященного DC/DC-преобразователям напряжения, мы выбрали только серии малой и средней мощности (до 25 Вт). Их краткие технические
Сегодня экономическая эффективность производства достигается, как правило, благодаря снижению себестоимости изделия за счет применения более дешевых материалов, и это характерно для всех отраслей промышленности. К сожалению, вследствие разных причин специалисты российских предприятий не имеют информации о новых технологиях. А ведь именно их внедрение позволяет значительно сокращать издержки и получать новые, уникальные преимущества. Предлагаемая технология изготовления
Sequans и Gemalto совершили революцию в сфере подключения к «Интернету вещей» (IoT) своей оригинальной технологией LTE Cat M1
ПЧ с промежуточной импульсной модуляцией
Важнейшей задачей ПЧ является обеспечение двунаправленности потока преобразуемой мощности (обратимость преобразования), диктуемое:
- реактивными составляющими тока в цепях нагрузки;
- способностью питания электроприводных двигателей с рекуперативным торможением;
- обеспечением стартерного режима для автономного синхронного генератора, питающего первичную сеть;
- необходимостью межсетевого резервирования питания.
Первые две из перечисленных задач характерны также и для АИСН, питаемых от химических источников постоянного тока или от выпрямленных устройств с энергоемким емкостным электролитическим фильтром. Выполнение функции обратного преобразования энергии не обязательно должно сопровождаться коррекцией коэффициента мощности, потребляемой от нагрузки или от вторичной сети. Поэтому входной ток обратного питания может быть и прерывистым.
Отметим, что все структуры автономных инверторов, приведенные на рис. 5, в принципе способны обеспечить обратное преобразование мощности при соответствующем изменении алгоритма управления.
Одним из наглядных примеров реализации структуры ПЧ с промежуточной импульсной модуляцией является схема однофазного ПЧ на базе РДМ с пульсирующим однонаправленным током, представленная на рис. 6а. Она содержит: сетевой фильтр с повышающим корректором коэффициента мощности (СФ-ККМ), два идентичных мостовых обратимых управляемых выпрямителя/коммутатора полярности (УВ/КП и КП/УВ), понижающе-повышающие импульсные модулирующие конверторы (ИМК1,2) и РДМ. На рис. 6б приведены временные диаграммы токов в первичной и вторичной сетях (i1, i2) и в цепи реактора (Iр), а также напряжений первичной сети (u1) и выпрямленного (ud). В схеме СФ-ККМ применен диодно-транзисторный ключ переменного тока с высокочастотной ШИМ, обеспечивающий коэффициент потребляемой из первичной сети мощности, близкий к единице. Блоки УВ/КП и КП/УВ имеют синхронное управление без фазового запаздывания (без регулирования). Моменты включения транзисторов ИМК1 и ИМК2 синхронизированы с моментами включения транзисторов РДМ. При этом ШИМ среднего значения тока реактора (Lр) производится за счет изменения коэффициента заполнения γ1 импульсов ИМК1 (или ИМК2), а регулирование выходных токов при прямом и обратном преобразовании — за счет аналогичного коэффициента γ2 транзисторов РДМ.
Рис. 6.
а) Схема однофазного преобразователя частоты на базе РДМ с пульсирующим однонаправленным током;
б) временные диаграммы токов и напряжений
Следует, однако, отметить два существенных недостатка рассмотренной схемы:
- большое количество электронных ключей (18 шт.) и, соответственно, тепловых потерь в них, что снижает КПД и надежность схемы и требует дополнительных массо-габаритных затрат на теплоотвод;
- отсутствие общего для входа и выхода заземленного (нулевого) вывода, что сильно затрудняет реализацию многофазности структуры.
Полевые измерения гармоник
Измерения выполнялись в местах установки главных выключателей центрального распредустройства 13,8 кВ, прокатного стана и дуговых печей. Сигналы для измерений снимались с существующих трансформаторов тока и напряжения. Снятие показаний на объекте обычно занимало несколько дней. Кроме данных, относящихся к гармоникам, снимались также показания, относящиеся к потокам мощности и коэффициенту мощности, необходимые для упрощения анализа.
A. Распределительная система 13,8 кВ
Коэффициент искажений синусоидальности напряжения (THD) измеренный в системе 13,8 кВ находился в пределах 1,51–8,17%, а коэффициент искажений тока, измеренный на двух главных фидерах 13,8 кВ – в диапазоне 3,45–9,86%. При снижении нагрузки на систему 13,8 кВ регистрировались более низкие значения THD. В наиболее напряженные периоды работы системы 13,8 кВ были измерены следующие значения мощностей:
МВт (изм.) = 23.3 МВт
Мвар (изм.) = 19.9 Мвар
cos φ (изм.) = 0.76 (отстающий)
Самым мощным источником гармоник в системе 13,8 кВ оказались электроприводы прокатного стана. Указанные приводы запитаны через понижающие трансформаторы и имеют 6-пульсную схему выпрямления, в результате чего в сеть поступает преимущественно 5-я гармоника тока. Прокатный стан состоит из двух секций. Наиболее мощным источником гармоник является секция №1, на которой установлено большинство электроприводов с 6-пульсной схемой выпрямления. Измерения, выполненные на этих секциях шин, показали, что величина THD по току варьировала в пределах от 27,28% до 36,16% для секции, от которой запитано большинство вышеупомянутых электроприводов, и в пределах от 3,69% до 7,76% для другой секции. Типичные осциллограммы токов и напряжений, а также их частотные спектры для электроприводов с 6-пульсными выпрямителями показаны на рис.6–9.
B. Энергосистема 34,5 кВ
Измеренное на стороне 34,5 кВ значение THD по напряжению обычно находилось в пределах от 0,53 до 6,30%. Хотя отдельные всплески в переходных режимах плавки THD доходили до 19,18%. Значение THD по току на двух главных фидерах 34,5 кВ находилось в пределах от 3,14 до 16,08%. Наибольшие значения THD по току наблюдались во время работы обеих дуговых печей. Последние представляют собой нагрузку с низким коэффициентом мощности cos фи (индуктивным), обычно составляющим от 0,65 до 0,85. Однако за счет двух фильтрокомпенсирующих устройств (ФКУ) 34,5 кВ фактический коэффициент мощности cos фи в системе 34, 5 кВ находился в диапазоне от 0,90 (индуктивный) до 0,90 (емкостной).
Наибольшие уровни на стороне 34,5 кВ имели 2-я и 3-я гармоники, гармоники, генерируемые дуговыми печами и печным трансформатором во время процесса включения. На рис. 10 и рис. 11 показана типичная форма тока при включении трансформатора, а также частотный спектр, полученные на заводе North Star Steel.
Необходимость повышения коэффициента мощности
При должным образом выполненной коррекции коэффициента мощности достигаются следующие преимущества:
- экологические: снижение потребления электроэнергии за счёт повышения эффективности её использования. Снижение потребления приводит к уменьшению выбросов парниковых газов и замедлению истощения ресурсов ископаемого топлива для электростанций;
- уменьшение расходов на электроэнергию;
- возможность получения большей мощности от имеющегося источника;
- снижение тепловых потерь в трансформаторах и оборудовании распределения;
- уменьшение падения напряжения в длинных кабелях;
- увеличение срока службы оборудования в связи со снижением электрической нагрузки на кабели и другие электрические компоненты.
Метод разрывных токов с использованием ШИМ
Данный метод близок к «граничному» методу. Различие заключается в том, что открывание ключа Q осуществляется не по достижению нуля тока дросселя L, а по сигналу от тактового генератора (ТГ). В этом случае определенное время ток дросселя будет равен нулю, что и характеризует режим разрывных токов. Функциональная схема показана на рис. 7, а форма кривой тока — на рис. 8.
Рис. 7. Схема метода разрывных токов с использованием ШИМ
Рис. 8. Диаграммы токов при управлении по методу разрывных токов с использованием ШИМ
Преимущества:
- постоянная частота переключения;
- постоянное время открытого состояния ключа;
- простая схема ШИМ-управления;
- «мягкие» условия переключения силового диода.
Недостатки:
- режим разрывных токов;
- увеличенные масса и габариты ФЭМП. Попрактиковаться в применении данного способа управления можно, например, с помощью контроллера ML4813 от Micro Linear.
Как правило, трудно дать однозначный ответ, какая микросхема будет наиболее эффективна для применения в каждом конкретном случае. Так, например, MC33262 может быть предложена как недорогое решение, дающее неплохие результаты для большинства типичных применений. Если требуется высокая эффективность работы при большой мощности, чтобы преобразование происходило на высокой частоте (сотни килогерц), удачным решением может стать микросхема FAN4822. Кроме того, у нее есть возможность гальванически развязать «силовую землю» и «управляющую землю». Более сложная в создании и настройке схема ККМ на FAN4822. Она рекомендуется для импульсных источников питания мощностью порядка 500 Вт и выше. Микросхема LT1248 полезна, например, когда требуется обеспечить синхронизацию тактов работы ККМ с другим устройством. Для создания ККМ с последующим ШИМ-преобразованием подойдут микросхемы ML4819, ML4824 и ML4826, однако следует учесть, что обеспечить минимальное взаимное влияние каскадов устройства проще, когда есть возможность разнести между собой на плате микросхему управления ККМ и микросхему ШИМ-преобразователя. В случае же выполнения обоих каскадов на одной микросхеме сделать это сложнее. ККМ на TDA 4817, как заявляет производитель, может обеспечивать работу нагрузки при подключении к сети 110 или 220 В без каких-либо дополнительных переключений (актуально, если существует перспектива экспорта разрабатываемой продукции).
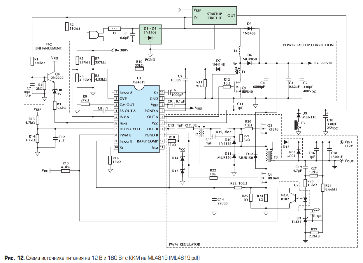
В качестве сравнения на рис. , , , , , , приведены принципиальные электрические схемы некоторых практических реализаций ККМ, рекомендованных производителями соответствующих микросхем. Естественно, этой информации будет недостаточно для построения ККМ — придется обратиться к документации на микросхемы в Интернете. Часть этой информации, переведенной на русский язык, можно найти в специальном справочнике . Обращаясь к документации, следует помнить, что ККМ — зачастую довольно сложное в настройке устройство, а предлагаемые производителями схемотехнические решения редко обеспечивают должные работоспособность и эффективность без дополнительной доработки. Подбор параметров цепей обратных связей, выбор ФЭМП, параметров дросселя, реализация удовлетворительного для стабильной работы микросхемы питания, борьба с помехами и самовозбуждением — с этими и другими задачами, свойственными устройствам силовой электроники, приходится сталкиваться при разработке ККМ. Возможно, приведенные схемы в совокупности с рассмотренными особенностями реализуемых методов управления помогут выбрать микросхемы для каждого случая, а также позволят читателям на основе сравнения выделить те или иные схемотехнические реализации отдельных цепей, которые окажутся полезными при синтезе ККМ.






Основные способы коррекции cos φ
1. Коррекция реактивной составляющей мощности производится путём включения реактивного элемента, имеющего противоположное действие. К примеру, для компенсации работы асинхронной машины, обладающей высокой индуктивной реактивной составляющей мощности, в параллель включается конденсатор.
2. Корректировка нелинейности электропотребления. При потреблении тока нагрузкой непропорционально основной гармонике напряжения, для повышения коэффициента мощности в схему вводят пассивный (активный) корректор коэффициента мощности. Наиболее простым примером пассивного корректора cos φ является дроссель с высокой индуктивностью, подключаемый последовательно с нагрузкой. Дроссель производит сглаживание импульсного потребления нагрузки и создание низшей, основной гармоники тока.
3. Корректировка естественным способом, не предусматривающая установку дополнительных устройств, предполагает упорядочение технологического процесса, рациональное распределение нагрузок, ведущее к улучшению режима потребления электроэнергии оборудованием, повышению коэффициента мощности.
Подробное видео с объяснением, что такое cosφ :
Импульсные модулирующие циклоконверторы
Традиционно под циклоконверторами (ЦК) понимаются тиристорные преобразователи частоты с непосредственной связью, т. е. без промежуточного фильтрового звена постоянного напряжения (конденсаторного) или постоянного тока (реакторного) . Принцип действия классического циклоконвертора связан с однократным преобразованием электроэнергии переменного тока нестабильной (обычно повышенной) частоты в электроэнергию переменного тока постоянной частоты (например, 400 или 50 Гц) путем циклического разнополярного выпрямления переменного тока с амплитудной (или фазовой) модуляцией средневыпрямленного напряжения.
По сравнению с преобразователем частоты (ПЧ) с промежуточным реакторным звеном постоянного тока (Lр), ЦК отличается более высоким КПД, лучшими массо-габаритными параметрами (при том же качестве выходного напряжения) и возможностью общего заземления сетевых нейтралей (рис. 1).
Однако общим недостатком ЦК и ПЧ с Lр является плохое качество входного и выходного тока, а именно — низкое значение коэффициента потребляемой мощности и высокое значение коэффициента нелинейных искажений (гармоник) выходного тока. Следствием этого являются низкий общий КПД преобразования (из-за больших тепловых потерь в цепях первичной и вторичной сетей), большие массо-габаритные показатели выходных фильтров и первичного источника питания и большая помехоэмиссия (плохие параметры ЭМС).
В отличие от указанного традиционного (более раннего) понимания термина «конвертор» как «восстановителя того же вида, но с измененными параметрами качества», в данной работе используется более позднее и более узкое толкование в силовой электронике этого термина, а именно — преобразователь постоянного напряжения в постоянное (шире: постоянного или однополярно-пульсирующего напряжения в аналогичное, но с другими параметрами качества).
В указанном выше контексте широкого толкования термина «конвертор» под импульсным модулирующим циклоконвертором (ИМЦК) понимается импульсный конвертор с циклически повторяющимся законом высокочастотной широтно-импульсной модуляции постоянного или выпрямленного пульсирующего питающего напряжения (с синусоидальной огибающей) с последующей реакторной демодуляцией и коммутацией полярностей для выделения низкочастотной синусоидальной огибающей — выходного тока.
Для реализации указанных процессов в составе автономных инверторов и преобразователей частоты используются рассмотренные выше модулирующие импульсные конверторы, а также рассматриваемые ниже реакторные демодуляторы и коммутаторы полярности выходного тока.
Экспериментальные результаты
Чтобы добиться лучшего понимания работы схемы, приведённой выше, было выполнено моделирование в P-Spice. Его результаты были сопоставлены с результатами, полученными на опытном образце на 600 Вт предлагаемой схемы коррекции коэффициента мощности, построенной нами. Система активной коррекции коэффициента мощности имеет единичный коэффициент мощности и поэтому представляет собой активную нагрузку мощностью 600 Вт. На рис. 7а показана схема, использованная для моделирования активной коррекции коэффициента мощности. На рис. 7b приведена схема моделирования трёх параллельно соединённых компьютерных нагрузок на 200 Вт. Эти нагрузки моделировались как импульсные источники питания (ИИП) с постоянной мощностью 200 Вт, имеющие пассивную коррекцию коэффициента мощности. Их внутренняя схема подобна схеме рис. 3а.
Результаты моделирования входных токов и их гармоник трёх компьютеров с мощностью 200 Вт в сравнении с активной нагрузкой с мощностью 600 Вт и единичным коэффициентом мощности показаны на рис. 7с и 7 d. Большая разница величин тока основной гармоники схем пассивной и активной коррекции коэффициента мощности, нагруженных на 600 Вт, наблюдается из-за того, что схема пассивной коррекции коэффициента мощности потребляет прерывающийся несинусоидальный ток, с большим содержанием гармоник, и работает с низким коэффициентом мощности.
Осциллограмма рис. 8а показывает результаты измерений, сделанных на трёх компьютерах с мощностью 200 Вт, включенных параллельно. Все эти компьютеры имеют встроенные схемы пассивной коррекции коэффициента мощности. Канал 1 показывает форму входного напряжения, канал 2 – ток, потребляемый этими тремя компьютерами с постоянной мощностью 200 Вт без схемы общей коррекции коэффициента мощности
Следует обратить внимание, что напряжение переменного тока имеет несколько приплюснутую форму на вершинах синусоиды. Как уже говорилось, причиной этого является наличие нескольких маломощных электронных устройств, подключенных к сети
Измеренное значение КГИ напряжения составило около 4% в схеме с центральной коррекцией коэффициента мощности и в схеме с активной коррекции коэффициента мощности.
Осциллограмма рис. 8b показывает результаты измерений, сделанных на опытном образце мощностью 600 Вт предлагаемой схемы активной коррекции коэффициента мощности, подключенном к сети. Результаты измерений соответствуют результатам моделирования. Канал 1 показывает форму входного напряжения, канал 2 – форму тока, потребляемого схемой общей коррекции коэффициента мощности с подключенными к ней тремя постоянными нагрузками в виде импульсных источников питания с мощностью 200 Вт.
Заключение
Активные схемы коррекции коэффициента мощности предоставляют ряд преимуществ, среди которых:
- максимальное приближение к активному характера потребления нагрузки, сведение к минимуму пиковых перегрузок;
- расширение диапазона допустимого входного переменного напряжения;
- снижение уровня пульсаций на выходе сглаживающего конденсатора при сохранении его емкости за счет уменьшения длительности токовых пауз;
- улучшение режима работы инвертора блока питания и КПД блока питания за счет стабилизации подающегося на него напряжения.
К недостаткам схем коррекции коэффициента мощности блоков питания можно отнести:
- увеличение стоимости готового изделия из-за добавления электронных элементов, отвечающих за коррекцию cos φ;
- уменьшение надежности блока питания из-за включения в его состав еще одного блока, работающего в критических условиях (высокие напряжения и токи).


































































