Параллельная двухфазная конфигурация с выходным током до 12 А
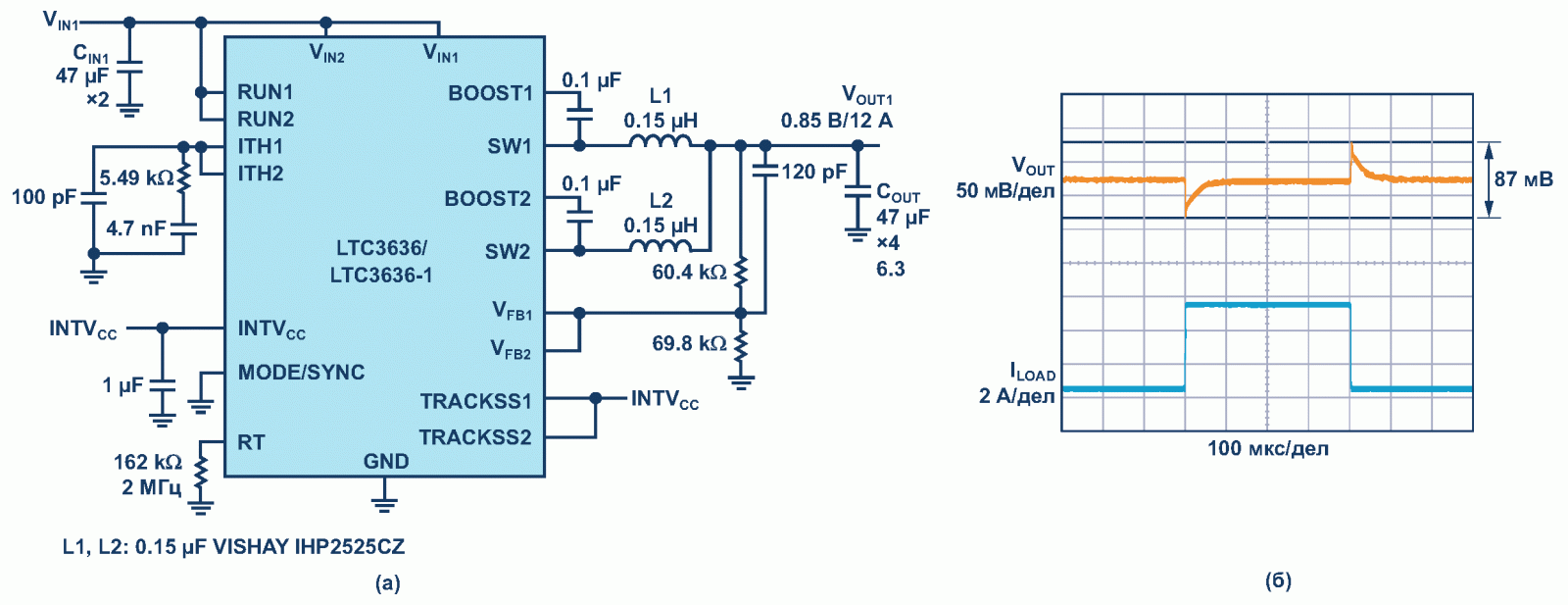
Широкое распространение электронных систем на основе современных СнК и ПЛИС в автомобильной отрасли, на транспорте и в промышленности требует более мощных источников питания. Мощность, потребляемая этими современными СнК постоянно растет, и решения на основе традиционных ШИМ-контроллеров и MOSFET должны уступать место монолитным регуляторам, позволяющим сделать источники питания более компактными, сильноточными и эффективными. LTC3636 разработана с учетом увеличенного энергопотребления этих СнК, а также их размеров и температурных ограничений. На Рисунке 5а показана схема источника питания с двумя соединенными параллельно каналами, способными отдавать ток до 12 А при напряжении 0.85 В. Пиковый КПД при токе нагрузки 12 А и выходном напряжении 3.3 В составляет 87%. Реакция схемы на изменение нагрузки иллюстрируется Рисунком 5б. В данной конструкции выводы FB1 и FB2 соединены вместе, как и выводы RUN1 и RUN2. Выводы ITH1 и ITH2 также соединены и подключены к внешней цепи коррекции для минимизации рассогласования токов в установившемся и переходном режимах.
![]() |
|
| Рисунок 5. | Схема регулятора 12 А/0.85 В на основе микросхемы LTC3636 (а) и реакция схемы на изменение нагрузки (б). |
Компактное решение с частотой переключения 4 МГц
Практически универсальная истина заключается в том, что пространства приложения, отведенного для источников питания, почти всегда бывает едва достаточно. Размеры и плотность мощности понижающих DC/DC преобразователей энергии обычно ограничены громоздкими магнитными компонентами, входными и выходными конденсаторами, габаритами фильтра электромагнитных помех и/или радиатором. В понижающих преобразователях энергии требования размеров и КПД часто противоречат друг другу: размеры дросселя и выходного конденсатора могут быть значительно уменьшены за счет увеличения частоты переключения, но работа на высокой частоте приводит к увеличению коммутационных потерь в дросселе и транзисторах. Это усложняет управление тепловыми режимами в ограниченном пространстве.
Сдвоенный высокоэффективный монолитный понижающий регулятор LTC3636 с выходными токами 6 А на канал способен работать при входных напряжениях до 20 В. Программируемая частота переключения может достигать 4 МГц. Высокая частота переключения существенно снижает размеры дросселя и конденсатора, но, в отличие от многих высокочастотных решений, LTC3636 при этом сохраняет высокие значения КПД. С микросхемой могут использоваться некоторые миниатюрные ферритовые дроссели с меньшими потерями на переменном и постоянном токе. Два канала тактируются противофазно с чередованием импульсов переключения, что подавляет пульсации и, в свою очередь, позволяет уменьшить емкость входного конденсатора.
![]() |
|
| Рисунок 1. | Компактное решение на основе сдвоенного понижающего преобразователя с рабочей частотой 4 МГц. |
Сдвоенный понижающий преобразователь на Рисунке 1 работает на частоте 4 МГц с очень маленькими дросселями и конденсаторами. КПД и тепловые характеристики микросхемы иллюстрируются Рисунком 2. Термограмма показывает, что температура перегрева преобразователя входного напряжения 5 В при комнатной температуре и естественной конвекции составляет менее 40 °C.
![]() |
|
| Рисунок 2. | Зависимость КПД от тока нагрузки (слева) и тепловой портрет (справа). Условия: входное напряжение 5 В, естественная конвекция. |
Внешний вид Corsair VS650
Черный цвет всегда в моде, вот и тестируемая модель выдержана в строгом стиле. По бокам — лишь наклейки с названием модели, ну и с техническими характеристиками, куда уж без них.
Эта модель чёрная, как говорится до кончиков волос, то есть в данном случае — до разъёмов. Провода заключены в чёрную оплётку. Помнится, много лет назад это делали моддеры самостоятельно, сейчас же это просто хороший тон со стороны производителя.
Набор разъём стандартный для современных БП такой мощности — есть всё, что нужно для мощной системы с одной видеокартой, не более. ATX 20+4pin, 4+4pin для процессора, два 6+2pin разъёма для видеокарты, 4 SATA, 4 Molex и зачем-то аж 2 не особо актуальных FDD коннектора.
За охлаждение отвечает 120 мм вентилятор на подшипниках качения с изменяемой скоростью вращения — на максимальные обороты он выходит ближе к максимально допустимой нагрузке.
В плане дизайна с одной стороны Corsair VS650 особо нечем похвастаться, с другой стороны и претензий к нему нет. Разъёмов — достаточное количество, длины кабелей хватит для большинства современных корпусов, на кабелях имеется оплётка. Что ещё требовать от недорого блока питания?
Тестирование Corsair VS650
Мы провели тестирование блока питания при различной нагрузке, от 20 до 500Вт, чтобы продемонстрировать самые разные режимы работы компьютера — начиная с полного простоя всех компонентов, заканчивая большой нагрузкой при установке, например, мощного процессора и двух видеокарт. Учитывая, что основная часть мощности приходится на линию 12В (от неё питаются видеокарты и процессор), именно на неё мы и вешали практически всю нагрузку. Для замера КПД использовался бытовой Ваттметр, так что не забываем про погрешность измерений.
| Нагрузка, Вт | Напряжение на линии 12В, В | Напряжение на линии 5В, В | КПД, % |
| 20 | 12,21 | 5,15 | 81 |
| 100 | 11,88 | 5,25 | 84 |
| 200 | 11,72 | 5,28 | 85 |
| 300 | 11,64 | 5,30 | 86 |
| 400 | 11,59 | 5,32 | 85 |
| 500 | 11,50 | 5,35 | 83 |
В принципе ситуация нам знакома. Минимальный КПД фиксируется при минимальной же нагрузке, а максимальный — при средней, около 50% от максимально заявленной
Причём если принимать во внимание чисто КПД, то не смотря на заявленный сертификат 80 PLUS, Corsair VS650 тянет на 80 PLUS Bronze. А вот что касается напряжения — то при нагрузке выше средней напряжение проседает слишком сильно
В очередной раз мы сталкиваемся с ситуацией, что 650Вт блок питания
Из приятного отметим очень тихую работу вентилятора практически вплоть до нагрузки в 250-300Вт. Дальше шум начинает нарастать, и к максимальной нагрузке становится очень сильным. Но это присуще всем современным блокам питания, да и нельзя это назвать недостатком — когда компоненты системы потребляют такую мощность, они сами нуждаются в очень активном охлаждении, а значит и сами становятся источниками шума.
Заключение
Повышение уровня интеллектуальности и автоматизации промышленного и автомобильного оборудования, увеличение в нем количества различных датчиков требует существенного улучшения характеристик источников питания. LTC3636 облегчает проектирование систем с двумя шинами питания, потребляющих очень низкие токи в режиме отключения и способных поддерживать нагрузки до 6 А на канал. LTC3636 выпускается в 28-контактном низкопрофильном корпусе QFN размером 4 мм × 5 мм со сниженным тепловым сопротивлением. Встроенная схема защиты от перегрева повышает надежность устройства. Вход установки режима позволяет пользователям выбирать между уровнем пульсаций выходного напряжения и величиной КПД при легкой нагрузке. Пульсирующий режим работы обеспечивает максимальный КПД при малых нагрузках, тогда как режим принудительной непрерывной проводимости позволяет снизить выходные пульсации.






















































